Kontaktując się z całodobową infolinią Energa Obrót, zawsze otrzymasz profesjonalną pomoc i wsparcie w rozwiązywaniu wszelkich problemów związanych z dostawą energii. Zadzwoń na infolinię energa obrót lub skorzystaj z innych kanałów komunikacji.
Najnowsze artykuły - Strona 38
Szukasz informacji, gdzie zgłosić awarię prądu lub jak postępować w nagłych sytuacjach? Sprawdź, jak skontaktować się z infolinią prąd i przygotować do rozmowy. Podpowiemy krok po kroku.
Nie otrzymałeś faktury za prąd od Energa? Sprawdź, co zrobić w przypadku braku faktury za energię elektryczną, jak skontaktować się z dostawcą i uniknąć opłat za opóźnioną płatność.
Poznaj kryteria kwalifikacyjne dla dodatku do prądu kwalifikacje i dowiedz się, kto może otrzymać to świadczenie. Sprawdź, jak złożyć wniosek i ile wynosi maksymalna kwota wsparcia.
Odkryj jak łatwo odczytywać wskazania energa licznika, analizować zużycie i oszczędzać na rachunkach. Aplikacja mobilna zapewnia wgląd, optymalizację i wygodne doładowanie licznika energa
Wybierz wydajną i niezawodną pompę ciepła do ogrzewania basenu w 2023 roku. Sprawdź parametry pomp powietrznych i gruntowych, zalety wiodących marek oraz ceny odpowiednich modeli pomp ciepła baseny.
Załóż konto na energa login i zyskaj wygodny dostęp do obsługi swojego konta Energi przez Internet. Opłacaj rachunki, aktualizuj dane i sprawdzaj zużycie energii online.
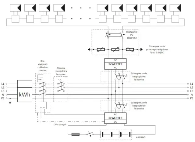
Odkryj potencjał farm fotowoltaicznych! Poznaj zasady działania, korzyści finansowe oraz wpływ na środowisko. Sprawdź, jak rozpocząć inwestycję i skorzystać z dostępnych dotacji w 2024 roku. Kompleksowe informacje dla inwestorów.
Odkryj, jak szybko i łatwo zalogować się do Ebok Tauron Dystrybucja. Poznaj krok po kroku proces tworzenia konta i wszystkie korzyści, które zapewnia ta nowoczesna platforma online.
Instalacja pompy ciepła to koszt rzędu 25-45 tys. zł. Na cenę wpływają m.in. rodzaj i moc pompy, wielkość domu oraz zakres prac. Jak zaoszczędzić na montażu? Sprawdź czynniki decydujące o koszcie i wybierz sprawdzoną firmę instalacyjną.
Szybko i sprawnie skontaktuj się z Eneą przez całodobowe enea nr tel. Poznaj dedykowane numery infolinii dla firm, zgłaszania awarii czy obsługi klienta.
Dowiedz się, gdzie znaleźć najlepsze oferty na instalacje fotowoltaiczne w Poznaniu. Sprawdź opinie firm, porównaj ceny, dotacje, oszczędności i dowiedz się więcej o fotowoltaice Poznań.
Grant OZE to szansa na dofinansowanie do 50% kosztów instalacji fotowoltaicznych na budynkach wielorodzinnych. Poznaj zasady ubiegania się o dotację OZE i sprawdź, kto może złożyć wniosek OZE.
Sprzedaż pomp ciepła spadła w 2023 roku. Branża apeluje o wprowadzenie dedykowanej taryfy na prąd, by obniżyć jego cenę i zwiększyć opłacalność pomp ciepła względem gazu. Artykuł omawia postulaty, dane nt. rynku i prognozy.
Poznaj zaskakujące fakty na temat niecodziennych zachowań godowych zwierząt - od niezwykłych tańców i zalotów przez wyjątkowe prezenty, po fascynujące gry i rytuały miłosne różnych gatunków.
Masowa eksterminacja wróbli w Chinach z 1958 r. przyniosła katastrofalne skutki - załamanie plonów, klęskę głodu i śmierć milionów ludzi. Propagandowa kampania nakłaniała do zabijania ptaków oskarżanych o zjadanie zbóż.
Gwajakowiec to najtwardsze drzewo świata, cenione przez Indian za drewno i leczniczą żywicę. Dowiedz się, jakie miało zastosowania i dlaczego obecnie jest gatunkiem zagrożonym.
Tygrys chiński uznany za wymarły został reintrodukowany w Afryce, gdzie poluje i rozmnaża się. Kontrowersyjny eksperyment ma na celu przywrócenie tego gatunku w Chinach.
Puszcza Białowieska zyskuje status osoby prawnej i rozszerzoną ochronę całego obszaru, aby zatrzymać degradację tego cennego ekosystemu leśnego z prastarymi drzewami i bogactwem gatunków roślin i zwierząt.
Według prognoz w 2025 roku nastąpi znaczący wzrost produkcji energii odnawialnej w Europie, zwłaszcza z fotowoltaiki. Rozwój OZE pozwoli zaspokoić przyrost zapotrzebowania na prąd i zmniejszyć wykorzystanie paliw kopalnych.
Dowiedz się, które urządzenia domowe zużywają najwięcej wody. Poznaj skuteczne sposoby na ograniczenie jej zużycia w domu, dzięki czemu obniżysz rachunki za wodę i pomożesz chronić zasoby naszej planety.
Spadające ceny energii w systemie net-billingu negatywnie wpływają na opłacalność instalacji fotowoltaicznych. Poznaj najnowsze informacje o rekordowo niskim RCEm w grudniu 2023 i pespektywach rynku.
Instrukcja do pilota klimatyzatora Gree - przewodnik krok po kroku jak skonfigurować i obsługiwać pilota, regulacja temperatury, tryby pracy, timery, ciche ustawienia.
Pompa powietrzna czy gruntowa - porównanie kosztów, wydajności, zastosowania. Który rodzaj pompy ciepła wybrać do domu lub mieszkania? Przewodnik z praktycznymi wskazówkami.