Schemat podłączenia paneli fotowoltaicznych jest kluczowy dla prawidłowego działania systemu fotowoltaicznego z akumulatorami w sieci elektroenergetycznej. W artykule omówimy jak połączyć ze sobą poszczególne elementy takiego systemu: panele, falownik, akumulatory oraz sieć elektryczną. Przedstawimy schemat ideowy oraz wskazówki, na co zwrócić uwagę przy montażu i konfiguracji, aby całość działała efektywnie i bezpiecznie.
Kluczowe wnioski:- Schemat podłączenia paneli, falownika i akumulatorów ma kluczowe znaczenie.
- Należy zadbać o właściwy dobór podzespołów i ich parametrów.
- Instalacja wymaga fachowego montażu zgodnie ze schematem.
- Konfiguracja falownika decyduje o prawidłowej pracy systemu.
- Regularny monitoring i konserwacja zapewniają efektywną eksploatację.
Podłączenie paneli do falownika
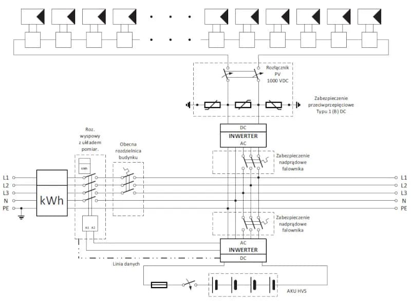
Aby podłączyć panele fotowoltaiczne do falownika, należy zastosować przewody solarne o odpowiednim przekroju, dostosowanym do mocy instalacji. Standardowo stosuje się przewody 4-6 mm2, zakończone z jednej strony złączkami MC4, które łączy się z panelami, a z drugiej strony dowolnymi końcówkami (tulejki, oczka), które podpinamy pod falownik.
Liczbę paneli dobieramy tak, by ich łączna moc nie przekraczała dopuszczalnej mocy wejściowej falownika. Napięcie stringów paneli (połączonych szeregowo) powinno mieścić się w zakresie napięć wejściowych falownika. Struny paneli łączymy równolegle tak, by uzyskać pożądaną moc.
Bardzo istotne jest zachowanie jednakowego nasłonecznienia paneli w całym systemie, dlatego zwykle instalujemy je na jednym dachu/wsporniku. Zacienienie nawet pojedynczego panelu drastycznie obniża wydajność całego stringu.
Polaryzacja paneli i falownika
Podłączając szeregowo panele fotowoltaiczne, zwracamy uwagę na ich polaryzację - zaciski "+" jednego panela łączymy z zaciskami "-" kolejnego. Analogicznie postępujemy przy podłączeniu stringów do falownika - muszą mieć odpowiednią polaryzację.
Dobór akumulatorów dla systemu
W przypadku instalacji fotowoltaicznej z akumulatorami (on-grid z magazynem energii), kluczowy jest dobór odpowiednich akumulatorów. Muszą charakteryzować się dużą pojemnością, by zmagazynować możliwie najwięcej energii z paneli. Liczba cykli ładowania/rozładowania powinna wynosić minimum 5000.
Akumulatory muszą też cechować się dobrą sprawnością - ponad 90%, co minimalizuje straty energii na etapie jej magazynowania. Napięcie akumulatorów dobieramy do napięcia systemu fotowoltaicznego - zwykle 12V, 24V lub 48V w przydomowych instalacjach.
Rodzaje akumulatorów do fotowoltaiki
Do instalacji PV najczęściej stosuje się akumulatory kwasowo-ołowiowe lub litowo-jonowe (LiFePO4), które cechują wyższa żywotność i lepsze parametry. Te drugie są droższe, ale mogą przepracować nawet 15 lat.
Warto zainwestować w dobrej jakości akumulatory LiFePO4, które znacząco wydłużą okres eksploatacji całego systemu fotowoltaicznego.
Czytaj więcej: Fotowoltaika z akumulatorami - najlepsze baterie do fotowoltaiki
Podłączenie akumulatorów do instalacji
Akumulatory w systemie fotowoltaicznym on-grid podłączamy za pośrednictwem dedykowanego urządzenia - kontrolera ładowania baterii (ang. battery charge controller).
Kontroler komunikuje się z falownikiem, kontrolując proces ładowania i wyładowywania akumulatorów w odpowiednich cyklach, co zabezpiecza je przed uszkodzeniem. Monitoruje też na bieżąco parametry akumulatorów: napięcie, prąd, pojemność itp.
| Element | Połączenie |
| Panele PV | Podłączone do falownika |
| Falownik | Podłączony do kontrolera ładowania |
| Kontroler ładowania | Połączony z akumulatorami |
| Akumulatory | Podłączone do kontrolera |
Konfiguracja falownika dla pracy z siecią
Aby falownik współpracował poprawnie z siecią elektroenergetyczną w systemie on-grid, konieczna jest jego odpowiednia konfiguracja.
Ustawiamy tryb pracy falownika jako on-grid (praca z siecią), a także jego zgodność z lokalnymi normami dot. energii z OZE. Ważne jest, aby napięcie falownika było zgodne z napięciem w sieci energetycznej (zwykle 230V).
Konfigurujemy też możliwość współpracy falownika z akumulatorami, które pełnią funkcję magazynu energii. Ustawienia kontrolera ładowania akumulatorów również muszą być dostosowane do parametrów całej instalacji.
Ustawienia eksportu i importu energii
W ustawieniach określamy także wartości graniczne: po ilu sekundach bezczynności falownik ma wznowić eksport energii do sieci oraz przy jakim minimalnym napięciu sieciowym. Podobnie definiujemy warunki importu energii z sieci do naszej instalacji.
Zabezpieczenia w instalacji fotowoltaicznej
Aby zapewnić bezpieczeństwo, system fotowoltaiczny należy wyposażyć w szereg zabezpieczeń. Są to zarówno zabezpieczenia programowe w falowniku i kontrolerze ładowania, jak i fizyczne elementy w samej instalacji.
Stosuje rozłączniki izolacyjne na poszczególnych odcinkach instalacji, zabezpieczenia nadprądowe, ochronniki przeciwprzepięciowe oraz uziemienia i połączenia wyrównawcze, zgodnie z obowiązującymi przepisami i normami.
Dobrze zaprojektowany i wykonany schemat podłączenia paneli fotowoltaicznych z wykorzystaniem wysokiej klasy komponentów i zabezpieczeń gwarantuje bezawaryjną, wydajną i długoletnią pracę instalacji PV.
Monitoring i sterowanie systemem
Nowoczesne instalacje fotowoltaiczne on-grid posiadają system monitoringu i zdalnego sterowania, dzięki czemu mamy stały wgląd w parametry i pracę systemu.
Specjalny moduł komunikacji w falowniku umożliwia przesyłanie danych do chmury, skąd możemy je ściągać na urządzenia mobilne lub komputer. Pozwala to kontrolować m.in. moc produkcji i zużycia, stan naładowania akumulatorów, historię alertów itd.
Zaawansowane mechanizmy sterowania umożliwiają zdalną konfigurację urządzeń, optymalizację pracy oraz szybkie reagowanie w przypadku nieprawidłowości. Regularny monitoring instalacji fotowoltaicznej jest kluczowy dla utrzymania jej efektywności.
Podsumowanie
Przedstawiony w artykule schemat podłączenia instalacji fotowoltaicznej on-grid z akumulatorami pokazuje, jak połączyć ze sobą poszczególne elementy systemu: panele, falownik, kontroler ładowania i magazyn energii.
Kluczowe jest prawidłowe dobranie podzespołów pod względem mocy, napięcia i kompatybilności. Istotna jest również konfiguracja falownika do współpracy z siecią energetyczną przy wykorzystaniu akumulatorów jako bufora energii.
Artykuł omawia także zasady montażu paneli fotowoltaicznych, ich podłączenia szeregowo i równolegle pod kątem uzyskania optymalnych parametrów. Porusza również kwestie zabezpieczeń w instalacji fotowoltaicznej i jej monitoringu.
Zaprezentowane informacje stanowią cenne wskazówki dla instalatorów projektujących i wykonujących podłączenie fotowoltaiki zarówno w układzie on-grid, jak i off-grid z akumulatorami. Pozwalają z powodzeniem zaplanować i zrealizować taką instalację PV.






