
Fotowoltaika w Austrii: jak wykorzystać energię słoneczną
Fotowoltaika w Austrii to klucz do oszczędności i ekologii. Dowiedz się, jak efektywnie wykorzystać energię słoneczną w swoim domu!
Fotowoltaika w Austrii: jak wykorzystać energię słoneczną
Fotowoltaika w Austrii to klucz do oszczędności i ekologii. Dowiedz się, jak efektywnie wykorzystać energię słoneczną w swoim domu!
Ile energii produkują panele fotowoltaiczne?
Dowiedz się, ile energii produkują panele fotowoltaiczne i jakie czynniki wpływają na ich wydajność. Poznaj sposoby optymalizacji produkcji i przyszłość fotowoltaiki w Polsce. Praktyczne informacje dla każdego!
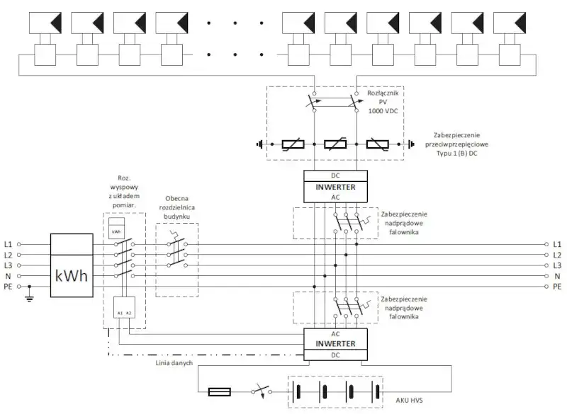
Czy warto kupić inwerter Sofar Solar? Opinie klientów
Poznaj obiektywne Sofar Solar opinie klientów i ekspertów. Dowiedz się, czy inwertery tej marki spełnią Twoje oczekiwania w zakresie wydajności, niezawodności i obsługi. Podejmij świadomą decyzję!
Ile kosztują moduły fotowoltaiczne? Aktualne ceny
Poznaj aktualne ceny modułów fotowoltaicznych i dowiedz się, jak obniżyć koszty instalacji. Sprawdź, jakie czynniki wpływają na cenę i jak wybrać najlepsze rozwiązanie dla Twojego domu.
Jaka jest cena fotowoltaiki 8kW? Porównaj oferty
Poznaj cenę fotowoltaiki 8kW i porównaj oferty czołowych firm. Dowiedz się, jak obniżyć koszty instalacji i maksymalizować oszczędności. Sprawdź, czy fotowoltaika 8kW to odpowiedni wybór dla Twojego domu.
Jaka jest cena paneli fotowoltaicznych w 2025 roku?
Sprawdź aktualne ceny paneli fotowoltaicznych w 2025 roku. Poznaj czynniki wpływające na cenę panelu fotowoltaiki, porównaj oferty producentów i dowiedz się, jak dotacje obniżają koszty instalacji.
Jak wybrać najlepsze uchwyty do fotowoltaiki? Top 5 modeli 2025
Poznaj kryteria wyboru uchwytów do fotowoltaiki i top 5 modeli na 2025 rok. Dowiedz się, jak dobrać odpowiednie mocowania, w tym obrotnice, dla swojej instalacji solarnej.
Dlaczego SolarEdge 10kW podbija rynek? Analiza hitu fotowoltaiki
Odkryj, dlaczego falownik SolarEdge 10kW rewolucjonizuje rynek fotowoltaiki. Poznaj jego zalety, innowacyjną technologię i korzyści ekonomiczne. Dowiedz się, jak zwiększyć wydajność swojej instalacji PV.
Ile zyskasz na sprzedaży energii z fotowoltaiki? Policz teraz!
Oblicz swoje zyski ze sprzedaży energii z fotowoltaiki. Poznaj zasady rozliczeń, czynniki wpływające na przychody i sposoby optymalizacji instalacji. Maksymalizuj swoje korzyści już dziś!
Oto top 5 solarów turystycznych: Który zasili Twoją przygodę?
Poznaj najlepsze solary turystyczne na rynku. Porównaj moc, wydajność i ceny topowych modeli. Wybierz idealny panel solarny, który zapewni Ci energię podczas każdej wyprawy.