
Czy palenie węglem ma jeszcze przyszłość? Analizujemy ekologiczne, ekonomiczne i społeczne aspekty tego paliwa w Polsce. Sprawdź, jak zmienia się podejście do węgla i jakie są alternatywy.
Z dziesięcioletnim doświadczeniem w branży fotowoltaicznej, zajmuję się projektowaniem i wdrażaniem systemów fotowoltaicznych, obsługując zarówno domy jednorodzinne, jak i przedsiębiorstwa. Moja edukacyjna ścieżka prowadziła przez Politechnikę Warszawską, gdzie ukończyłem Inżynierię Środowiska, a także zdobyłem certyfikat w zakresie energii odnawialnej. Regularnie występuję jako prelegent na konferencjach dotyczących odnawialnych źródeł energii, a moje publikacje branżowe zdobywają uznanie w środowisku. Pasjonuje mnie dzielenie się wiedzą i doświadczeniem, które przekładają się na pomoc innym w efektywnym wykorzystaniu fotowoltaiki.

Czy palenie węglem ma jeszcze przyszłość? Analizujemy ekologiczne, ekonomiczne i społeczne aspekty tego paliwa w Polsce. Sprawdź, jak zmienia się podejście do węgla i jakie są alternatywy.

Naucz się prawidłowego odczytu licznika PGNiG i poznaj skuteczne metody oszczędzania gazu. Praktyczne wskazówki, które pomogą Ci obniżyć rachunki i efektywnie zarządzać zużyciem energii.

Sprawdź przepisowe odległości oczyszczalni od granicy działki oraz innych obiektów. Poznaj aktualne wymogi, odległości minimalne i konsekwencje ich nieprzestrzegania.

Poznaj tajemnicę numeru kontrahenta Enea - klucza do Twoich opłat. Odkryj, jak łatwo sprawdzić stan konta, dokonać płatności oraz uzyskać pomoc. Korzystaj z udogodnień dzięki znajomości tego unikalnego identyfikatora.

Dowiedz się, gdzie znaleźć numer klienta PGE na umowie i innych dokumentach. Poznaj alternatywne sposoby jego odnalezienia oraz jak bezpiecznie używać w kontaktach z dostawcą energii.

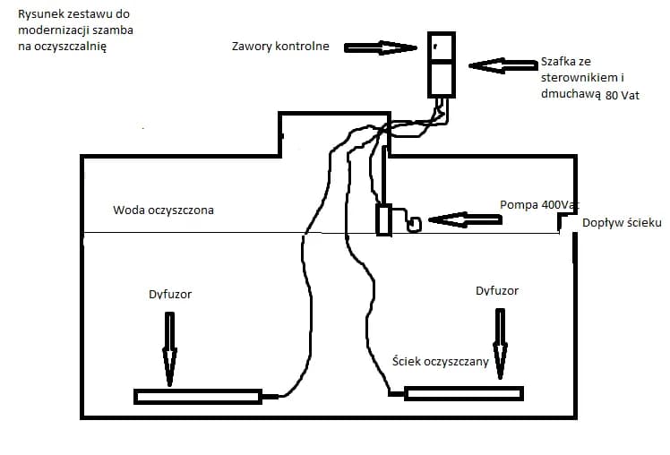
Dowiedz się jak samodzielnie przerobić szambo na oczyszczalnię i zaoszczędź na kosztach wywozu nieczystości. Poznaj niezbędne wymogi techniczne, formalności i etapy modernizacji.

Poznaj kompletny schemat oczyszczalni trzcinowej oraz jej budowę. Dowiedz się, jak działają poszczególne elementy systemu biologicznego i jakie wymiary powinny mieć warstwy filtracyjne.

Szukasz kompresora do oczyszczalni? Poznaj najważniejsze parametry techniczne, rodzaje dmuchaw i sprawdź, jak dobrać odpowiednie urządzenie do wielkości Twojego systemu. Porównaj dostępne modele!

Sprawdź kiedy nie można budować przydomowej oczyszczalni oraz poznaj kluczowe zakazy i ograniczenia. Dowiedz się, jakie przepisy wykluczają możliwość budowy na Twojej działce.

Dowiedz się, jak wykonać profesjonalny projekt oczyszczalni przydomowej zgodny z przepisami. Poznaj kluczowe elementy dokumentacji, wymogi formalne i koszty. Zacznij budowę swojego systemu już dziś!