
Dowiedz się, ile watów jest w gniazdku w Twoim domu. Poznaj standardową moc, bezpieczne użytkowanie i sposoby oszczędzania energii. Zaskakująca moc ukryta w Twojej ścianie!
Jako doświadczony budowniczy i doradca w zakresie efektywności energetycznej domów, koncentruję się na łączeniu nowoczesnych technologii, takich jak pompy ciepła, oraz fotowoltaika, z tradycyjnymi metodami budowy. Ukończyłem Budownictwo na Politechnice Krakowskiej i rozszerzyłem swoją wiedzę o zarządzanie projektami budowlanymi. Jako członek Polskiego Stowarzyszenia Budownictwa Ekologicznego, regularnie publikuję artykuły w branżowych czasopismach. Moje praktyczne podejście do budowy przyniosło mi zaufanie klientów, którzy cenią moje skuteczne i ekonomiczne rozwiązania.

Dowiedz się, ile watów jest w gniazdku w Twoim domu. Poznaj standardową moc, bezpieczne użytkowanie i sposoby oszczędzania energii. Zaskakująca moc ukryta w Twojej ścianie!

Czy gruntowa pompa ciepła Viessmann to dobra inwestycja? Poznaj zalety, oszczędności i ekologiczne aspekty tego systemu. Dowiedz się, jak działa i dlaczego warto rozważyć to rozwiązanie dla swojego domu.

Odkryj 7 niespodziewanych miejsc, gdzie możesz oddać elektrośmieci w ekologiczny i bezpieczny sposób. Od komisów elektronicznych po lokalne zbiórki - wszystkie rozwiązania na liście "gdzie można oddać elektrośmieci".

Poznaj różne typy zawiasów do drzwi i wybierz idealne rozwiązanie dla swojego domu. Dowiedz się, jak dobrać zawiasy wkrętowe, rolkowe czy 3D do różnych rodzajów drzwi.

Choć wykorzystują ten sam system elektrochemiczny, akumulatory VRLA znacznie różnią się od tradycyjnych akumulatorów. Wyróżnia je przede wszystkim bezpieczeństwo i możliwość pracy w różnych warunkach: w budynku i na zewnątrz, w wysokich i niskich temperaturach. Co sprawia, że akumulatory VRLA mają tak szerokie zastosowanie?

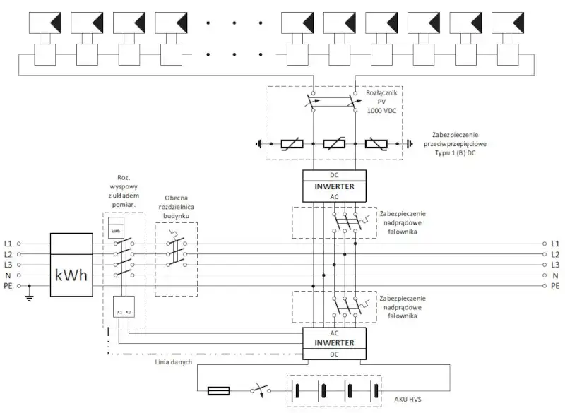
Wybierz idealny licznik do fotowoltaiki w Łomży. Poznaj typy, funkcje i korzyści liczników dwukierunkowych. Maksymalizuj efektywność swojej instalacji fotowoltaicznej i oszczędzaj na energii.

Poznaj 5 powodów, dla których Frapol Onyx stał się liderem wśród rekuperatorów. Odkryj, jak wysoka wydajność, innowacyjne technologie i cicha praca Frapol Onyx 400 rewolucjonizują wentylację domów.

W obliczu rosnących cen energii i coraz bardziej złożonych regulacji ekologicznych wybór odpowiedniego systemu ogrzewania staje się kluczowy dla komfortu i efektywności energetycznej naszych domów. Pompy ciepła, jako nowoczesne rozwiązanie grzewcze, stają w opozycji do tradycyjnych metod ogrzewania, takich jak piece na paliwa stałe czy gazowe.

Pompy ciepła to jedno z najnowocześniejszych rozwiązań w dziedzinie ogrzewania budynków. Rosnąca popularność tej technologii wynika z jej efektywności, ekologiczności i wszechstronności.

Dowiedz się, jak folia odbijająca słońce obniży Twoje rachunki za energię. Analiza korzyści, w tym redukcja kosztów chłodzenia i poprawa komfortu mieszkania.