
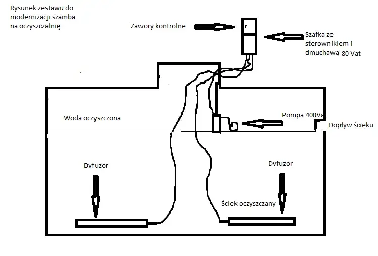
Jak przerobić szambo na oczyszczalnię: kompletny proces modernizacji
Dowiedz się jak samodzielnie przerobić szambo na oczyszczalnię i zaoszczędź na kosztach wywozu nieczystości. Poznaj niezbędne wymogi techniczne, formalności i etapy modernizacji.

Dowiedz się jak samodzielnie przerobić szambo na oczyszczalnię i zaoszczędź na kosztach wywozu nieczystości. Poznaj niezbędne wymogi techniczne, formalności i etapy modernizacji.

Szybko znajdź swój nr punktu poboru gazu! Poznaj 5 prostych metod na zlokalizowanie PPG w 30 sekund. Niezbędne przy zmianie dostawcy i zgłaszaniu awarii. Oszczędź czas i nerwy!

Nie ma prądu? Dowiedz się, gdzie dzwonić i jak działać krok po kroku. Szybka diagnoza, kontakt z dostawcą, bezpieczeństwo w domu i plan awaryjny - wszystko, czego potrzebujesz w kryzysowej sytuacji.

Dowiedz się, jak chronić swoje urządzenia przed zagrożeniami napięcia siły. Poznaj skuteczne metody zabezpieczania sprzętu elektronicznego i zapewnij stabilne napięcie sieciowe w domu.

Dowiedz się, jakich błędów unikać przy myciu paneli słonecznych, aby chronić swoją instalację. Poznaj bezpieczne metody czyszczenia i utrzymaj wydajność systemu fotowoltaicznego na najwyższym poziomie.

Dowiedz się, czym jest motogodzina i jak wpływa na żywotność Twojej maszyny. Sprawdź, ile to 1 motogodzina i jak prawidłowo mierzyć czas pracy sprzętu, by zoptymalizować jego wydajność.

Szukasz sprawdzonej oczyszczalni Delfin? Poznaj różnice między modelami biologicznymi i SBR-MAD. Porównaj ceny, koszty eksploatacji oraz skuteczność oczyszczania ścieków w warunkach domowych.

Dowiedz się jak skutecznie wykonać odpowietrzenie oczyszczalni przydomowej krok po kroku. Praktyczne wskazówki, najczęstsze błędy i porady ekspertów dotyczące prawidłowej wentylacji systemu.

Dowiedz się, jak magazyn energii zmienia oblicze domowej energetyki. Poznaj fakty i mity, korzyści finansowe oraz wpływ na środowisko. Odkryj przyszłość inteligentnego zarządzania energią.

Poznaj rodzaje bakterii do oczyszczalni i dowiedz się jak je prawidłowo stosować. Sprawdź skuteczne dawkowanie preparatów bakteryjnych oraz rozwiąż typowe problemy w szambie i oczyszczalni.