
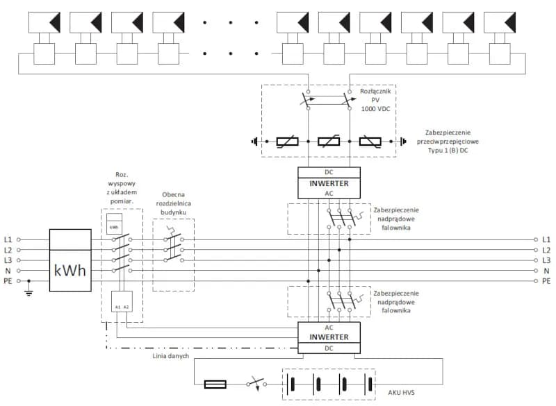
Poznaj schemat podłączenia paneli fotowoltaicznych w systemie on-grid z akumulatorami - krok po kroku od montażu paneli PV, poprzez dobór i konfigurację falownika, magazynu energii po zabezpieczenia całej instalacji.
Jako doświadczony budowniczy i doradca w zakresie efektywności energetycznej domów, koncentruję się na łączeniu nowoczesnych technologii, takich jak pompy ciepła, oraz fotowoltaika, z tradycyjnymi metodami budowy. Ukończyłem Budownictwo na Politechnice Krakowskiej i rozszerzyłem swoją wiedzę o zarządzanie projektami budowlanymi. Jako członek Polskiego Stowarzyszenia Budownictwa Ekologicznego, regularnie publikuję artykuły w branżowych czasopismach. Moje praktyczne podejście do budowy przyniosło mi zaufanie klientów, którzy cenią moje skuteczne i ekonomiczne rozwiązania.

Poznaj schemat podłączenia paneli fotowoltaicznych w systemie on-grid z akumulatorami - krok po kroku od montażu paneli PV, poprzez dobór i konfigurację falownika, magazynu energii po zabezpieczenia całej instalacji.

Sprawdź aktualne ceny styropianu za m2 w 2023 roku. Porównaj oferty sklepów i hurtowni. Dowiedz się ile kosztuje styropian grafitowy i fasadowy. Zobacz prognozy cenowe na najbliższe miesiące.

Aktualne ceny, promocje i sklepy z tanim pelletem drzewnym na terenie woj. pomorskiego. Sprawdź gdzie kupić niedrogi opał do ogrzewania domu lub mieszkania.

Czy prąd 3-fazowy jest droższy niż 1-fazowy? Porównujemy ceny, instalacje oraz zalety i wady obu rozwiązań. Sprawdź, kiedy instalacja trójfazowa jest opłacalna.

Prawidłowo wykonany projekt instalacji elektrycznej domu jednorodzinnego to podstawa bezpiecznej i funkcjonalnej elektryki. Dowiedz się jakie elementy powinien zawierać, kto może go wykonać i ile kosztuje.

Wiata z panelami fotowoltaicznymi - sprawdź zalety, wady, koszty budowy i sposoby montażu wiaty solarnej. Porady jak dobrać odpowiednią moc paneli i wysokiej jakości konstrukcję carportu fotowoltaicznego.

Jak samodzielnie obliczyć zapotrzebowanie domu na ciepło? Wskażemy czynniki wpływające na wynik, przedstawimy wzory oraz kalkulatory zapotrzebowania energetycznego ułatwiające obliczenia. Dowiesz się ile ciepła rocznie potrzebuje dom.

Jak podłączyć bufor do pompy ciepła? Poznaj schemat instalacji pompy ciepła z buforem, aby zwiększyć wydajność i żywotność systemu grzewczego. Porady na temat funkcji, doboru i konfiguracji bufora.

Ile cegieł kupić na m2? Sprawdź, jak obliczyć zapotrzebowanie na cegły przy budowie domu, ile cegieł idzie na metr ściany i jaka jest optymalna ilość cegieł na mkw.

Klimatyzator do mieszkania 50m2 - optymalna moc, modele z inwerterem, koszty kupna i eksploatacji, porady jaki sprzęt wybrać na 50 m2 by skutecznie schłodzić pomieszczenia bez zbędnego kosztu