Przerobienie szamba na przydomową oczyszczalnię ścieków to nowoczesne i ekologiczne rozwiązanie dla gospodarstw domowych. Proces ten zyskuje na popularności. Jest to skuteczny sposób na redukcję kosztów związanych z wywozem nieczystości. System ten wykorzystuje biologiczne metody oczyszczania. Pozwala to na znacznie rzadsze opróżnianie zbiornika. Dodatkowo, oczyszczona woda może być wykorzystana w ogrodzie.
Najważniejsze informacje:- Wymaga mniej częstego opróżniania niż tradycyjne szambo
- Przetwarza ścieki w sposób przyjazny dla środowiska
- Redukuje koszty wywozu nieczystości
- Zapewnia większą niezależność od firm asenizacyjnych
- Wymaga uzyskania zgłoszenia wodnoprawnego
- Konieczny jest dobry stan techniczny istniejącego zbiornika
- System wymaga odpowiedniej przestrzeni na instalację
Ocena stanu szamba przed modernizacją
Przed rozpoczęciem przerobienia szamba na oczyszczalnię konieczna jest dokładna ocena techniczna zbiornika. Stan techniczny określi, czy modernizacja szamba na oczyszczalnię jest w ogóle możliwa. Szczególną uwagę należy zwrócić na szczelność ścian i dna.
Ekspert podczas inspekcji sprawdzi wytrzymałość konstrukcji betonowej. Zbiornik musi być odpowiednio wzmocniony, by wytrzymać proces transformacji szamba w oczyszczalnię ekologiczną. Jakiekolwiek pęknięcia czy nieszczelności dyskwalifikują zbiornik z dalszej modernizacji.
Istotna jest również ocena pojemności istniejącego szamba. Zbyt mały zbiornik może uniemożliwić efektywną konwersję szamba na system oczyszczający. Ważne jest też sprawdzenie głębokości posadowienia i poziomu wód gruntowych.
- Szczelność ścian i dna zbiornika
- Wytrzymałość konstrukcji betonowej
- Pojemność zbiornika (min. 3m³)
- Głębokość posadowienia
- Poziom wód gruntowych
Wymagania techniczne i formalne procesu przebudowy
Podstawowym wymogiem przy adaptacji szamba na oczyszczalnię przydomową jest uzyskanie zgłoszenia wodnoprawnego. Dokumentacja techniczna musi być przygotowana przez uprawnionego projektanta.
Konieczne jest również zgłoszenie budowy do lokalnego wydziału architektury. Należy pamiętać o zachowaniu odpowiednich odległości od budynków i granic działki.
| Dokument | Gdzie uzyskać |
| Zgłoszenie wodnoprawne | Wody Polskie |
| Projekt techniczny | Uprawniony projektant |
| Zgłoszenie budowy | Wydział Architektury |
| Mapa do celów projektowych | Geodeta |
Czas oczekiwania na komplet dokumentów wynosi zwykle 2-3 miesiące. W przypadku konieczności uzupełnienia dokumentacji okres ten może się wydłużyć. Warto rozpocząć proces formalno-prawny z odpowiednim wyprzedzeniem.
Czytaj więcej: Jak działają oczyszczalnie ścieków przemysłowych - kompleksowy proces oczyszczania
Koszty przekształcenia szamba w oczyszczalnię
Podstawowy koszt przerobienia szamba na oczyszczalnię waha się między 8000 a 15000 zł. Największe wydatki to zakup systemu napowietrzania oraz instalacja złoża biologicznego.
Dodatkowe koszty generuje dokumentacja techniczna i pozwolenia. Za projekt i uzgodnienia formalne trzeba zapłacić od 2000 do 4000 zł.
| Element | Szambo (rocznie) | Oczyszczalnia (rocznie) |
| Wywóz nieczystości | 2400-3600 zł | 400-600 zł |
| Energia elektryczna | 0 zł | 200-300 zł |
| Konserwacja | 200 zł | 400 zł |
Okres zwrotu inwestycji w modernizację szamba na oczyszczalnię wynosi średnio 3-4 lata. Oszczędności wynikają głównie ze znacznie rzadszego wywozu nieczystości.
Materiały i komponenty potrzebne do przebudowy
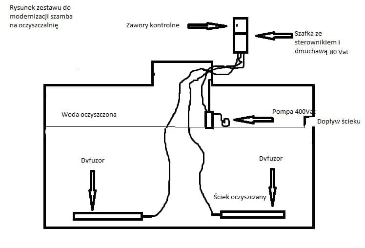
Podstawowym elementem przy konwersji szamba na system oczyszczający jest system napowietrzania. Składa się on z pompy napowietrzającej i dyfuzorów rozprowadzających tlen.
Niezbędne jest również złoże biologiczne, które stanowi siedlisko dla bakterii oczyszczających. Konieczna jest też instalacja separatora oraz filtrów mechanicznych.
Ostatnim elementem jest system rozsączający oczyszczoną wodę. Jego wielkość zależy od przepuszczalności gruntu i ilości oczyszczanych ścieków.
Proces modernizacji krok po kroku
Pierwszym etapem adaptacji szamba na oczyszczalnię przydomową jest opróżnienie i dokładne oczyszczenie zbiornika. Następnie przeprowadza się szczegółową inspekcję techniczną. Wszelkie uszkodzenia muszą zostać naprawione przed dalszymi pracami.
Kolejny krok to montaż systemu napowietrzania i złoża biologicznego. Instalacja wymaga precyzyjnego rozmieszczenia elementów. System musi zapewnić równomierne rozprowadzenie tlenu w całym zbiorniku.
Po zamontowaniu głównych elementów następuje instalacja systemu rozsączającego. Układa się go na odpowiedniej głębokości, z zachowaniem właściwego spadku. Należy zadbać o właściwą wentylację całego układu.
Ostatnim etapem jest rozruch technologiczny systemu. Trwa on około 6-8 tygodni. W tym czasie rozwija się flora bakteryjna odpowiedzialna za oczyszczanie ścieków.- Opróżnienie i czyszczenie zbiornika
- Naprawa ewentualnych uszkodzeń
- Montaż systemu napowietrzania
- Instalacja złoża biologicznego
- Wykonanie systemu rozsączającego
- Podłączenie instalacji elektrycznej
- Rozruch technologiczny
Czas potrzebny na realizację projektu
Sama modernizacja szamba na oczyszczalnię zajmuje zwykle 3-5 dni roboczych. Czas ten może się wydłużyć w przypadku konieczności wykonania dodatkowych prac naprawczych.
Okres oczekiwania na wszystkie pozwolenia i dokumenty to minimum 2 miesiące. Warto uwzględnić ten czas w harmonogramie przerobienia szamba na oczyszczalnię.
Rozruch biologiczny systemu wymaga kolejnych 6-8 tygodni. W tym czasie oczyszczalnia stopniowo osiąga pełną wydajność. Mogą wystąpić opóźnienia związane z warunkami pogodowymi lub dostępnością materiałów.
Najczęstsze problemy podczas przebudowy
Głównym wyzwaniem przy transformacji szamba w oczyszczalnię ekologiczną jest często zły stan techniczny istniejącego zbiornika. Nieszczelności i pęknięcia wymagają czasochłonnych napraw. Niektóre uszkodzenia mogą całkowicie wykluczyć możliwość modernizacji.
Problematyczny bywa też wysoki poziom wód gruntowych. Utrudnia on wykonanie systemu rozsączającego. W takich przypadkach konieczne jest zastosowanie dodatkowych rozwiązań technicznych.
Częstym problemem jest również niewystarczająca przestrzeń na działce. System rozsączający wymaga odpowiedniej powierzchni. Zbyt mała działka może uniemożliwić konwersję szamba na system oczyszczający.
Większość problemów technicznych można rozwiązać poprzez odpowiednie modyfikacje projektu. Kluczowa jest współpraca z doświadczonym wykonawcą.
W przypadku braku miejsca na klasyczny system rozsączający możliwe jest zastosowanie alternatywnych rozwiązań. Sprawdzają się tunele rozsączające lub studnie chłonne.
Wybór wykonawcy modernizacji
Przy wyborze firmy do adaptacji szamba na oczyszczalnię przydomową kluczowe jest doświadczenie. Wykonawca powinien przedstawić referencje z podobnych realizacji.
Warto sprawdzić, czy firma oferuje kompleksową usługę. Dobry wykonawca pomoże w uzyskaniu niezbędnych pozwoleń i przygotuje dokumentację.
Firma wykonawcza musi posiadać odpowiednie uprawnienia budowlane. Pracownicy powinni być przeszkoleni w zakresie montażu systemów oczyszczania ścieków.Istotne są również kwalifikacje w zakresie instalacji elektrycznych. System napowietrzania wymaga prawidłowego podłączenia i zabezpieczenia.
Wykonawca powinien udzielić minimum 2-letniej gwarancji na wykonane prace. Ważne jest również zapewnienie serwisu gwarancyjnego i pogwarancyjnego. Regularne przeglądy są kluczowe dla długotrwałej sprawności systemu.
Korzyści płynące z przebudowy szamba
Przerobienie szamba na oczyszczalnię to inwestycja wymagająca dokładnego planowania i starannego wykonania. Proces trwa średnio 3-4 miesiące, wliczając formalności i rozruch biologiczny. Całkowity koszt modernizacji zwraca się już po 3-4 latach.
Sukces transformacji szamba w oczyszczalnię ekologiczną zależy od trzech kluczowych elementów: stanu technicznego istniejącego zbiornika, wyboru odpowiednich materiałów oraz współpracy z doświadczonym wykonawcą. Inwestycja wymaga nakładu 8000-15000 zł, ale przynosi znaczące oszczędności na wywozie nieczystości.
Mimo potencjalnych trudności technicznych i wymogów formalnych, konwersja szamba na system oczyszczający to rozwiązanie przyszłościowe. Zapewnia niezależność od firm asenizacyjnych i znacząco zmniejsza obciążenie środowiska. Regularna konserwacja i profesjonalny montaż gwarantują długoletnią, bezawaryjną pracę systemu.






